Трехфазное твердотельное реле NNG1F-3/024F-38 DC-AC 10A-40A используется в сфере автоматического управления, например для сигнального света, сцинтиллятора, системы управления освещения, инструментов и аппаратов, медицинского оборудования, копировального устройства, стиральной машины, противопожарного оборудования и системы обеспечения безопасности, а так же используется как переключатель в мощном конденсаторе для компенсации фактора мощности сети. В дополнении трехфазное реле NNG1F-3/024F-38 DC-AC 10A-40A широко используется в неблагоприятных условиях и в случае частых переключений, например химическая и угольная промышленности, когда необходимо предотвратить взрыв, обвал, грязь и разрушения.
| Управляющее напряжение | 024:12-32VDC |
| Управляющий ток | ≤50mA |
| Напряжение включения | 12VDC |
| Напряжение выключения | 8VDC |
| Обратное напряжение | ≥200ms |
| Нагрузочное напряжение | 38:40-440VAC |
| Ток нагрузки | 10A 15A 20A 25A 30A 40A |
| Напряжение переходного процесса | 38:1600VAC |
| Падение напряжения (для перехода во включенное состояние) | AC:≤1.6VAC |
| Время включения-отключения | AC:≤10mS |
| Ток утечки в закрытом состоянии | AC:≤10mA |
| Электрическая прочность диэлектрика | ≥2500VAC |
| Изоляционное сопротивление | Тестирование при 500MΩ,500VDC |
| Температура окружающей среды | -30℃~80℃ |
| Вид установки | Установка винтами |
| Вес реле | ≈328г |
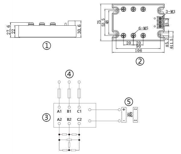
| Размер | 106×75×30.6 |
| Примечание | В случае если нагрузка более 10А, устанавливается радиатор; в случае превышения рабочей температуры 80℃ устройство охлаждается вентилятором или водой. |

① Размеры; ② Установочный размер; ③ Схема соединения; ④ Подача мощности, поглощаемой в нагрузке; ⑤ Подача управляющего напряжения
Схожая продукция
релейный переключатель, электрический выключатель,переключающее устройство
Clion Electric Co.,Ltd.
Адрес: No.319, Wei 18 Rd.,Yueqing Economic Development Zone,Yueqing City, Zhejiang Province, 325600
Контактное лицо: Tony Chen
Телефон: +86-577-57156992
Fax: +86-577-57572255
Эл. почта: clionrelay@hotmail.com
