Однофазное индустриальное твердотельное реле (Уменьшенная двойная параллель)
Однофазное твердотельное реле PCB 1-4A (Миниатюрное двухканальное)
Технические характеристики:
| Модель |
HHG1D-1/032F-22、38 1-4A |
HHG1D-0/032F-06、20 1-4A |
 |
 |
 |
| DC---AC |
DC---DC |
| Описание |
Миниатюрное двухканальное PCB SSR |
Миниатюрное двухканальное PCB SSR |
| Напряжение управления |
014:3-14В DC 032:3-32В DC |
014:3-14В DC 032:3-32В DC |
| Ток срабатывания |
6-35мА |
6-35мА |
| Напряжение включения |
3В DC |
3В DC |
| Напряжение выключения |
1В DC |
1В DC |
| Обратное напряжение |
32В DC |
32В DC |
| Напряжение нагрузки |
22:30-240В AC,38:40-440В AC |
06:12-60В DC,11:12-110В DC,20:12-200В DC |
| Ток нагрузки |
1A,2A,3A,4A |
1A,2A,3A,4A |
| Переходное напряжение |
22:600В AC,38:900В AC |
06:100В DC,11:110В DC,20:220В DC |
| Падение напряжения |
< 1.6В AC |
< 1.2В DC |
| Время отклика на входной сигнал |
≤10мс |
≤мс |
| Ток утечки |
≤10мА |
≤5мА |
| Диэлектрическая прочность |
≥1500В AC |
≥1500В AC |
| Сопротивление изоляции |
50 МОм / 500В DC |
50 МОм / 500В DC |
| Диапазон рабочих температур |
-30~80℃ |
-30~80℃ |
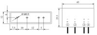
| Габаритные размеры |
43Д*25.5Ш*12В |
43Д*25.5Ш*12В |
| Индикатор |
/ |
/ |
| Установка |
PCB |
PCB |
| Упаковка |
Внутренняя коробка (шт) |
20/пенопласт |
| Внешняя картонная коробка (шт) |
600 |
| Размеры картонной коробки |
380*215*175мм |
| Вес |
Около 22г/шт Вес брутто:14.5кг Вес нетто:13.5кг |
| Радиатор |
/ |
| / |
| Примечание |
1. При токе нагрузки > 10A необходим радиатор . При токе нагрузки > 80A необходим вентилятор. |
| 2. Для защиты от перенапряжений необходим варистор (1.6-1.9) |
| Чертёж |
 |
| Схема цепи |
 |
 |